Как работают бетономешалки
Раз уж пошла речь о способах замешивания, не мешает разобраться, как вообще работает бетономешалка. И для полного понимания дальнейшего тоже полезно будет.
В основном используются четыре способа замешивания цементно-песчаного строительного раствора:
- гравитационный;
- принудительный механический;
- принудительный вибрационный;
- комбинированный гравитационно-механический.
При гравитационном замешивании емкость с компонентами раствора переваливается, раствор плюхается сам на себя и при этом перемешивается. Большого объема так не замесишь, качество готового бетона выходит лишь удовлетворительное, поэтому в промышленности такой способ не применяется. Но для себя можно быстро и просто сделать вполне приличную гравитационную бетономешалку, см. далее.
При вибрационном замешивании бадья остается неподвижной, а миксер-замешиватель возбуждает в массе исходной смеси волны сжатия, очень хорошо перемешивающие и уплотняющие раствор. Недостаток способа – большие энергозатраты: на 20 л раствора необходим привод замешивателя-вибратора в 1,3 кВт. Но качество бетона выходит исключительное, поэтому виброзамес применяется для особо ответственных конструкций: плотин ГЭС и т.п. В таком случае ради экономии энергии предварительно замешанный раствор заливают в опалубку и уже на месте «доводят» вибраторами. Но небольшую вибромешалку можно изготовить и самому, далее будет сказано и об этом.
Изготовление бетоносмесителя
Основные детали конструкции
Бетономешалка принудительного действия своими руками изготавливается из нескольких основных узлов:
- Двигателя;
- Редуктора;
- Бака на 200 л;
- Вала;
- Лопастей;
- Рамы
- Подшипников.
Электродвигатель для бетоносмесителя
Кроме того, чтобы собрать все детали в единую конструкцию, понадобятся следующие инструменты:
- Болгарка;
- Дрель;
- Сварочный аппарат.
Подготовка
Прежде чем начинать работу следует подготовить чертежи бетономешалки принудительного действия. Это несколько облегчит работу, а также позволит избежать ошибок и переделок.
Схема бетоносмесителя с горизонтальным расположением барабана
Надо сказать, что существуют различные конструкции подобных агрегатов и в первую очередь они различаются расположением барабана. Он может быть:
| Вертикальным | В этом случае у бочки срезается верх, для засыпки компонентов раствора, и горловина, через которую будет проходить вал. |
| Горизонтальным | Емкость и вал располагаются горизонтально, при этом у нее срезается боковина. |
Чертежи бетономешалки принудительного типа можно выполнить самостоятельно, посмотрев на готовые конструкции, либо найти в интернете.
Сборка смесителя с горизонтальным расположением барабана
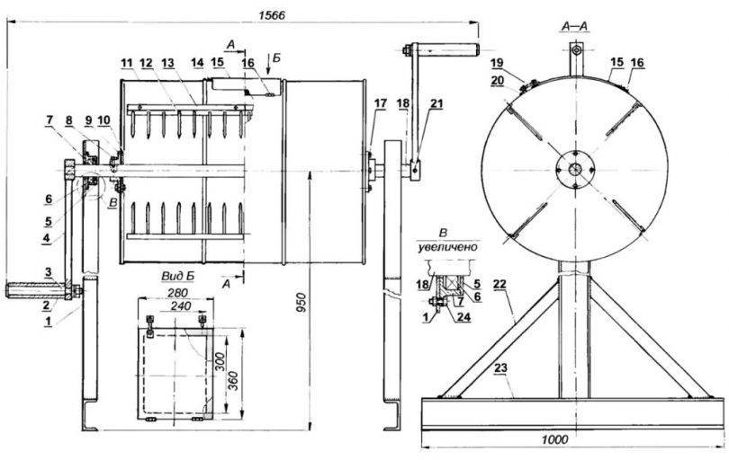
Теперь рассмотрим, как собирается принудительная бетономешалка своими руками с горизонтальным расположением бака:
В первую очередь необходимо собрать раму, для этого можно воспользоваться металлическими уголками. Проще всего выполнить два одинаковых треугольника. Уголки соединяются между собой при помощи сварки.
Так как конструкция будет достаточно тяжелой, с одной стороны можно предусмотреть ось с колесами. В этом случае один треугольник рамы должен быть меньше другого. Его размер подбирается в зависимости от радиуса колеса.
- Далее с одной стороны треугольника необходимо приварить площадку для монтажа редуктора.
- После этого к раме крепится ось с двумя кронштейнами, которые привариваются к редуктору.
На фото — пример готового самодельного смесителя
- Далее срезается боковина бочки, для загрузки барабана, после чего она устанавливается на раму. Барабан может жестко фиксироваться при помощи сварки, либо вращаться вокруг оси, для удобства выгрузки готовой смеси. В этом случае конструкция более сложная, кроме того, необходимо предусмотреть фиксацию барабана во время работы смесителя.
- Далее в нижней части рамы выполняется площадка для двигателя и устанавливается сам агрегат. Монтаж двигателя лучше выполнять болтовым соединением.
- После этого к оси смесителя привариваются лопасти, которые будут размешивать раствор.
- В завершение работы следует соединить редуктор с двигателем при помощи ремня, которым осуществляется привод. Для этого, шкивы обоих механизмов должны располагаться в одной вертикальной плоскости.
Теперь самодельная бетономешалка принудительного действия готова, осталось только проверить ее в работе.
Пример самодельного смесителя с вертикальным расположением барабана
Сборка бетоносмесителя с вертикальным расположением барабана
Конструкция аппарата данного типа существенно отличается от вышеописанной машины.
Чтобы изготовить подобный принудительный бетоносмеситель своими руками, надо выполнить следующие действия:
- В первую очередь нужно обрезать дно бочки и срезать горловину, чтобы обеспечить отверстие для оси.
- Далее к бочке надо приварить четыре уголка, чтобы создать опору. Нижняя часть «ножек» укрепляется перемычками, которые будут служить основой для площадки двигателя и редуктора.
Схема простого смесителя
- Далее надо установить в баке вал и выполнить систему его крепления. В итоге вал должен жестко фиксироваться как минимум в двух точках. К примеру, в бочке можно предусмотреть подшипник, который будет удерживать ось.
- Далее к валу нужно приварить лопасти, обеспечивающие размешивание раствора.
- После этого в нижней части нужно выполнить площадку для установки остальных механизмов.
- Следующим шагом является установка редуктора и двигателя, после чего на их шкивы надевается ремень, осуществляющий привод. При монтаже двигателя желательно предусмотреть систему регулировки натяжения ремня.
Чертеж бетоносмесителя
Вот, пожалуй, и все основные моменты изготовления бетономешалки. Конечно, ее производительность будет не такой высокой, как в случае с аппаратами заводского производства, которые за первые 20 секунд размешивают раствор до готовности около 80 процентов, однако ее вполне хватит для выполнения частных строительных работ. Причем, качественно размешивать с ее помощью можно бетонный раствор как с щебнем, так и без крупного наполнителя.
Четыре принципа смешивания бетона
Самодельная бетономешалка По факты, приготовить свой раствор можно и без специальных приспособлений. Работать «по старой методике» многим даже нравится. Но много ли успеваешь сделать таким способом? Создать сухую смесь для строительства, используя обычную дрель либо миксер, еще можно. Но когда дело доходит до песка с цементом, они оказываются бессильны.
Самый простой и распространенный принцип смешивания называется принудительным. Все компоненты замешиваются в емкости, которая является неподвижной. Для этого обычно используется механический привод. Рабочий барабан при этом может располагаться вертикально или горизонтально.
Чертеж бетономешалки горизонтальной
Несмотря на то, что даже малый бетоносмеситель принудительного действия может оказаться весьма эффективным, свои недостатки у него тоже имеются:
- Появляются «мертвые зоны» в емкости. Это особенно касается пространства возле стен.
- Сложность конструкции. Узлы вращения должны быть герметично защищены от воздействия раствора, которое может оказаться агрессивным.
- Практически невозможно приготовить в таком агрегате раствор, в состав которого входят средний и крупный наполнитель.
Большинство современных бетономешалок используют комбинированный принцип, сочетающий в себе первые два способа. Они обладают следующими преимуществами:
- Строгая герметизация не нужна. Барабан сверху открыт, необходимости в узлах вращения нет, поскольку любой контакт с раствором исключается.
- Детали изнашиваются гораздо реже.
- Простота и надежность эксплуатации.
- Ограничений на состав раствора тоже нет – это может быть щебенка, керамзит, гравий и так далее.
Четвертый принцип смешивания называется вибрационным. В последнее время некоторые умельцы занимаются перемешиванием раствора при помощи вибрации. Если говорить о масштабных объемах, результаты могут быть самыми ошеломительными. Обычно вибрационный принцип перемешивания используется, когда нужно изготовить точную железобетонную конструкцию с хорошими эксплуатационными характеристиками.
Рекомендуем также прочитать
- Мангал из газового баллона своими руками
- Дровница — роскошь или необходимость
В обычных условиях редуктор и привод заменяет мощнейший перфоратор (допустимый минимум 1,3 кВт). Его вибрационное действие должно быть независимым. Прижимать патрон не нужно.
Редуктор бетономешалки фото
В целом, вибрационное замешивание позволяет создать практически идеальную бетонную смесь. Однако для приготовления «тяжелого» раствора он тоже не оптимален.
Бетономешалка с перфоратором
Бетономешалка является важным инструментом при строительстве и ремонте. Однако, приобретение готовой бетономешалки может быть дорогостоящим.
Список материалов:
- Перфоратор
- Металлический барабан или бочка (примерно 200-литровая)
- Металлический профиль (уголок) или трубы
- Болты, гайки и шайбы
- Электрический сварочный аппарат
- Ручка или рычаг для качания барабана
- Конструкционные стержни
- Лист металла
- Электрическая проводка и выключатель, шурупы




Подготовка перфоратора:
- Изучите инструкцию по эксплуатации и безопасности для вашего перфоратора.
- Установите сверло большого диаметра на перфораторе.
- Закрепите перфоратор на плоской поверхности, чтобы он оставался неподвижным во время работы.
Подготовка барабана:
- Удалите одну сторону барабана (верхний или нижний край) для загрузки и выгрузки материалов.
- Очистите барабан от остатков и мусора.
- Установите металлический профиль или трубы внутри барабана в виде спирали. Это поможет перемешивать материалы более эффективно.

Создание основы для бетономешалки:
Используя конструкционные стержни, соберите каркас для поддержки барабана
Важно убедиться, что каркас достаточно прочный, чтобы выдержать вес барабана и материалов.
Сварите ручку или рычаг к одному из концов каркаса. Она будет использоваться для качания барабана.
Установка перфоратора:
- Расположите перфоратор на каркасе таким образом, чтобы сверло было направлено внутрь барабана, примерно в его центре.
- Закрепите перфоратор на каркасе, используя болты, гайки и шайбы. Убедитесь, что перфоратор прочно закреплен и не будет смещаться во время работы.

Электрическая проводка:
- Подключите электрическую проводку к перфоратору с помощью выключателя.
- Обратитесь к инструкции по эксплуатации вашего перфоратора для правильного подключения проводов.
Завершение бетономешалки:
- Установите барабан на подготовленный каркас так, чтобы перфоратор находился внутри барабана и мог его качать.
- Закрепите барабан на каркасе с помощью болтов и гаек.
- При необходимости, закройте открытую сторону барабана с помощью листа металла и шурупов, чтобы избежать вылета материалов во время работы.

Популярные конструкции бетономешалок своими руками
Рассмотрим несколько простых вариантов, которые пользуются наибольшей популярностью.
Вариант №1. Механическая
Конструкцию этого несложного агрегата с механическим замесом вы можете увидеть на изображении ниже. Главное преимущество такой бетономешалки в том, что она имеет внушительный объем. Что касается привода, то он в данном случае может быть как ручным, так и электрическим. Для выгрузки бетона бадью необходимо наклонить набок.

Но есть и минус, присущий, в принципе, всем агрегатам с бадьей цилиндрической формы – это некачественное перемешивание в углах. Еще смесь разбрызгивается, если скорость составляет более 35-ти оборотов за минуту. Но со второй проблемой можно справиться, если наварить по завершении сборки ту часть бочки, которая была отрезана, обратно на свое место и проделать в ней лючок.
Вариант №2. Горизонтальная комбинированная конструкция, которая оснащена гребенками
Данная конструкция, равно как и описанная выше, тоже бывает как ручная, так и электрическая. К преимуществам можно отнести высокую однородность замешивания, а также высокую скорость и качество данной процедуры. Подобную бетономешалку делают из старой бочки, но ее качество мало чем уступает лучшим современным моделям промышленного назначения. Что характерно, скорость замешивания при этом определяется числом оборотов, а не временем (чтобы приготовить раствор, нужно провернуть всего три-четыре раза).

Хотя есть и минус – он состоит в том, что конструкция достаточно сложная. Для изготовления даже ручного варианта понадобится несколько десятков различных элементов
При этом особое внимание должно уделяться именно разгрузочному люку – все уплотнители, шпингалеты с петлями должны быть исключительно качественными и надежными. Тем не менее, если вам предстоит выполнить много работы за рекордно короткое время в месте, где нет электрического питания, то такая бетономешалка очень даже пригодится. Наконец, заметим, что аналогичные конструкции изготавливаются и в промышленных масштабах
Наконец, заметим, что аналогичные конструкции изготавливаются и в промышленных масштабах.
Вариант №3. Электрическая конструкция
Это, пожалуй, наиболее распространенный вариант, который в большинстве случаев и копируется домашними умельцами. Следовательно, что-то особенно пояснять не нужно. Схему вы можете найти на изображении ниже. Существует масса разновидностей, имеющих те или иные конструктивные отличия, а найти детальные чертежи не составит труда. Словом, приведем лишь некоторые объяснения.
- Горловина и дно емкости обязательно должны быть укреплены планками, приваренными крест-накрест.
- Больше всего подходит в данном случае рамный миксер, который приварен к оси.
- Рекомендуется, чтобы емкость вращалась вместе с осью – так конструкция рамы получится сложнее, зато вам не придется уплотнять вал в днище (последнее как раз и является одной из причин непродолжительного эксплуатационного срока мешалок).
Вариант №4. Вибрационный агрегат
Довольно часто люди, имея перфоратор мощностью 1-1,3 киловатта с ударными механизмом, который включается принудительно, пробовали изготовить вибрационную бетономешалку самостоятельно, однако в большинстве случаев они не получали желаемого результата.
Ознакомимся с распространенными ошибками.
Прежде всего, это неправильный подбор емкости. Последняя должна быть только круглой, не слишком широкой, но зато высокой. Вибратор располагается неправильно. Его следует расположить на оси емкости, а расстояние от него до дна должно приблизительно соответствовать его радиусу. Над самим вибратором должен быть раствор высотой, не превышающий его (опять же) диаметр. Применяется плоский вибратор. Дело в том, что если он изготовлен из листа металла, то не сумеет возбудить в бетоне требуемую систему волн
Важно, чтобы профиль элемента был хотя бы примерно таким, как продемонстрировано на изображении. Оптимальный вариант – пара блюдец либо тарелок (предпочтение лучше отдавать металлическим), которые сложены вместе
И последнее – это вибратор слишком большого размера
Его диаметр должен составлять по 15-20 сантиметров на каждый киловатт мощности. Проще говоря, если мощность перфоратора составляет тех же 1,3 киловатта, то прибор справится с тарелками диаметром 25 сантиметров. Если диаметр будет большим, то бетономешалка своими руками попросту не сумеет «раскачать» раствор.
Если будете следовать всем этим требованиям, то сможете получить бетон отменного качества.

Изготовление вертикальной конструкции
Покупка готового агрегата — удовольствие дорогое, поэтому стремление сэкономить, сделав бетономешалку собственными руками, вполне понятно. Но прежде чем приступить к работе, следует учесть некоторые моменты:
- Подобный шаг даст экономическую выгоду лишь в том случае, когда под рукой есть все необходимые исходные элементы конструкции и инструменты для их обработки. В противном случае, закупка нужных деталей обойдется дороже, чем приобретение готового изделия.
- Мастер должен иметь определенный опыт работы со сварочным аппаратом и болгаркой, разбираться в основах электротехники.
- Изготовление бетономешалки нерентабельно, если она понадобится всего один раз. Не подойдет она и для профессионального использования — в первом случае целесообразно взять устройство в аренду, во втором — приобрести агрегат заводского производства.
Если решение принято, то для начала предстоит запастись деталями:
- бочкой нужного объема (например, в 200л);
- валом с лопастями;
- двигателем (на 4 кВт);
- приводом;
- редуктором;
- элементами для сборки пульта управления.
Из инструментов понадобятся сварочный аппарат, болгарка и дрель.
Подготовка резервуара
Цилиндрическая форма бочки не совсем удобна для замеса, поскольку в месте стыковки боков и днища образуется «мертвая зона». Кроме того, при попытке выгрузить смесь значительная ее часть будет оставаться в резервуаре. Бочку рекомендуется немного модернизировать, придав ей форму чаши: для этого срезаются верх и низ, затем в нижней части делаются клиновидные вырезы, края которых свариваются. Диаметр дна уменьшается на нужную величину и приваривается заново.
Не следует забывать, что выгрузка смеси будет выполняться снизу, поэтому необходимо позаботиться о создании люка в днище. Проще всего придать ему вид отодвигающейся заслонки, чтобы она более плотно прилегала к днищу. Можно дополнить конструкцию резиновыми накладками.
Рама, привод и лопасти
Для изготовления рамы потребуются 4 уголка, которые привариваются к барабану. На этот элемент конструкции будет приходиться вес самого агрегата плюс вес содержимого. Считается, что при емкости в 60 литров раме предстоит выдерживать весовые нагрузки в 200 кг. Исходя из этого, следует взять уголки достаточной толщины. Соединение деталей рамы с барабаном желательно выполнять сваркой.
Самый простой вариант расположения двигателя (привода) — вверху, над емкостью. Иногда его приваривают к верхнему срезу емкости (предварительно усилив его), иногда к вертикальному элементу рамы достаточной высоты. Передачу крутящего момента с вала электродвигателя на вал бетономешалки обеспечит ременная или цепная передача.
Также следует правильно рассчитать размер лопастей: он должен быть таким, чтобы между их краями и стенками резервуара был минимальный зазор. Лопасти не должны тереться о внутреннюю поверхность бочки. Необходимо рассчитать их оптимальную толщину: если она слишком мала, лопасти быстро погнутся, а при чрезмерной толщине возрастет вес конструкции и потребуется двигатель большей мощности.
Чертежи и конструкции самодельных бетономешалок
В первую очередь для бетономешалки необходимо подготовить тару таких размеров, которая будет уместна для ваших видов работ.
Не стоит выбирать маленькие емкости. В них бетон достаточно быстро застоится, а если объема переработанного материала вам окажется мало, потребуется снова замешивать его. Наиболее приемлемый объем емкости — 200 литров.
Следующим шагом вырежете дно средних размеров в вашей будущей бетономешалке.
В том случае, если предполагаемый объем работы бетономешалки будет не очень большим, то его остов вполне может быть деревянным.
Средних размеров брус может быть от 10х10 до 20х20, не более и не менее.
Важно, чтобы соединение деталей в раме должно основываться на приципе «в шип». Кроме того, оно в обязательном порядке должно быть промазано клеем и посажено на саморезы. Такая конструкция гарантирует длительный срок эксплуатации бетономешалки
Такая конструкция гарантирует длительный срок эксплуатации бетономешалки.
Рама для бетономешалки должна быть металлической. Для того чтобы сконструировать ее, заранее запаситесь уголком небольших размеров. За его ответствуем также подойдет швеллер. Гайки, заклепки или даже сварка поможет вам сложить конструкцию.
Что касается двигателя, то в самодельных бетономешалках часто используют мотор от старых автомобилей или скутеров. Опять же, если объемы производства будут незначительным.
Мотор от старой стиральной машинки также придется очень кстати. Его преимущество в том, что он может работать достаточно долго, при этом не перегорая.
Чертежи самодельных бетономешалок в фото — галерее.








В процессе смешивания бетона, важное значение имеет момент кручения бетона. Мотор от стиральной машинки изначально для этого и был предназначен, поэтому способен выдержать любую нагрузку. Для того, чтобы обеспечить это количество, необходимы редукторы
Для того, чтобы обеспечить это количество, необходимы редукторы
Важно, чтобы они были разных схем. Самый примитивный редуктор — это тот, который состоит из шкива и ремня. Но что касается редуктора, то он, разумеется, должен быть цепным
В противном случае такая конструкция просто не будет функционировать
Но что касается редуктора, то он, разумеется, должен быть цепным. В противном случае такая конструкция просто не будет функционировать.
В ролике подробно рассказано и показано, как делается бетономешалка своими руками с чертежами и наглядным пособием по изготовлению.
Бетономешалка своими руками: чертежи и конструктивные особенности при постройке + 71 фото
Если у вас собственный дом или дача, значит вы часто сталкиваетесь с необходимостью проведения строительных работ тех или иных масштабов.
Никакое строительство не сможет обойтись без бетона – будь то беседка, ограда, терраса или дорожка.
Если вы запланировали несколько крупных построек, то можно оформить заказ на готовый заводской бетон – его доставят прямо на ваш участок. Бригада строителей обычно так и делает.
Но этот вариант имеет следующие минусы:
- высокая цена бетонной смеси;
- вам придется приобрести бетон объема бетономешалки, т.е. несколько кубов. Не каждая стройка требует такого количества бетона;
- плотная жилая застройка может не позволить проехать тяжелой технике.
Есть еще вариант – брать бетономешалку на прокат, но при частом использовании это выйдет дороже, чем приобрести ее в собственность.
Вследствие всего вышеперечисленного иметь собственную бетономешалку – лучший выход. Изготовить такой необходимый агрегат собственноручно вполне осуществимо.
Бетономешалка, сделанная своими руками имеет следующие плюсы:
- Она будет иметь нужную вам форму;
- Такой агрегат имеет низкую себестоимость, так как может быть сделан из материала, находящегося под руками;
- Самодельную бетономешалку легко обслуживать и ремонтировать;
- Ей можно гордиться перед соседями и знакомыми.
Перед изготовлением бетономешалки лучше на собственном опыте опробовать покупной вариант — предложите свою помощь соседям, имеющим промышленный экземпляр, или разово воспользуйтесь прокатом. Это поможет понять принцип ее действия и выбрать подходящие параметры.
Большой размер не означает лучший вариант. Такие агрегаты очень энергозатратны. Как маленькая емкость, так и крупная лимитирует количество бетона, получаемого за 1 цикл. Вследствие этого к выбору параметров бака следует подходить очень ответственно.
Чтобы сделать бетономешалку своими руками, вам потребуется крепкая ёмкость в форме цилиндра, прочная рамная конструкция, механизм переворачивания, чтобы выгружать готовый бетон, и редукторный двигатель.
Вам потребуется:
- металлическая бочка, емкостью 100 – 200 л;
- стальной уголок или профиль для станины;
- два б/у подшипника;
- отрезок металлической трубы для оси и ручки.
Из инструментов понадобится болгарка и сварочный аппарат.
- Прорезаем в бочке отверстие в виде прямоугольника, образуя щель по стыку. Привариваем на внутренней поверхности порожек из уголка и прокладываем его резиной с целью герметизации.
- Крышка будет распахиваться наружу, поэтому необходимо установить прочные петли и надежный запор. Имеющуюся заливную дырку можно не заваривать, штатная крышка достаточно надежная.
- Внутри привариваем несколько лопастей из листовой стали толщиной 2-3 мм для перемешивания.
- В центре боковых частей привариваем подшипники, прикручиваем ступицы или просовываем стальную ось.
- Закрепляем бочку на станине, привариваем с одного конца ручку, наподобие колодезной. Бетономешалка готова!
Суть такой бетономешалки в стационарном баке и активных перемешивающих лопатках.
У подобного агрегата есть как плюсы, так и минусы.
Бак изготовлен из 200 л бочки, на которую наварены стенки. Верхняя часть забрана решёткой. Для основания используется профилированная труба. Бак крепится жёстко. Исходные компоненты раствора загружаются сверху, слив готового бетона происходит благодаря затвору с резиновой прокладкой.
Смесительный вал делается из автомобильного коленчатого аналога, лопатки – из уголков и приваренных к ним стальных листов, толщиной 3 мм. В точке выхода вала к редуктору располагается сальник.
Двигатель используется от подъёмного крана. Его мощность 5,5 кВт. Редуктор оттуда же. Мотор имеет 3 фазы и способность менять направление вращения.
Под работающую бетономешалку подставляется поддон, собирающий вытекающую в начале воду. Ее выливают назад в бетономешалку.


































