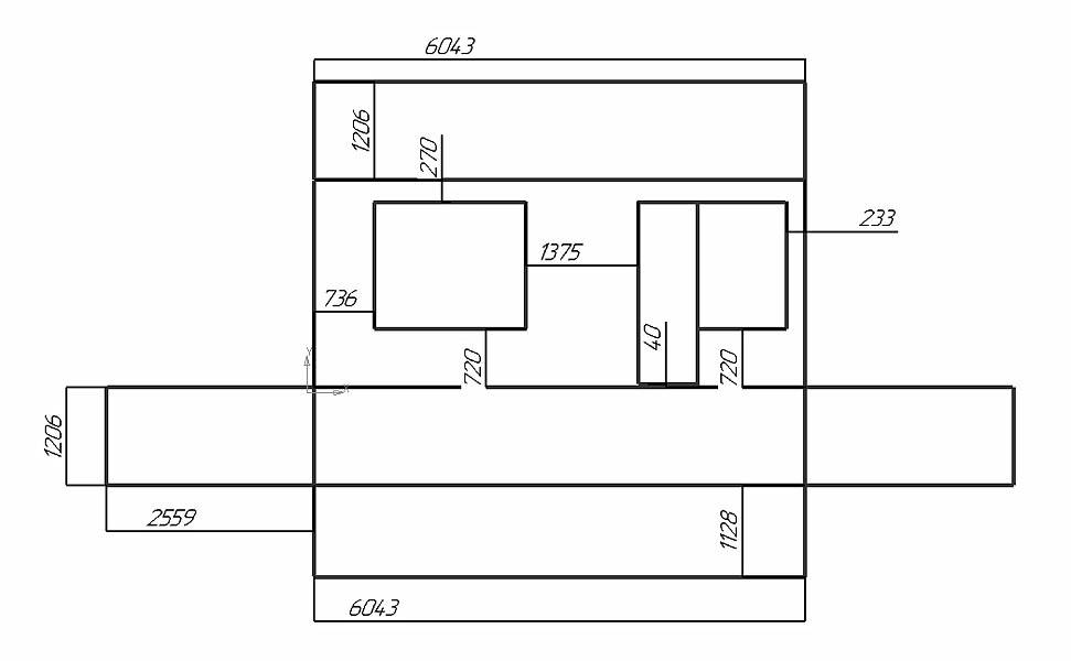
План балкона (развертка) с размерами в реальной пропорции
Для Вас Народные окна сделали чертеж в реальной пропорции. Такими развертками обычно пользуются замерщики. Здесь, указаны размеры стен, пола, потолка. Эти мерки внутренние. Все в миллиметрах – как на чертежах. Информация наша и собрана за годы работы.






Эту лоджию можно смело отнести к большим. Её габариты — ширина 6043 мм, высота 2559 мм, глубина 1206 мм. Большинство лоджий в длину имеют меньше 6 метров а в глубину меньше метра.
Размеры фасадной стены 6043 мм на 2559 мм. Ширина откосной части порядка 13 см. Здесь умеренный порожек 100 мм. И он возникает если приподнят пол в квартире. На этих лоджия во время присоединения возможно сделать уровень пола такой как в комнате. Площадь фасада равна 9,16 м2.
Правая стена и левая одинаковые. Высота стен 2559 мм, ширина 1206 мм. Стены идут не до парапета — парапет немного смещен на улицу. Поэтому при установке рам остекления на парапет возникают дырки. Здесь мы ставим г-образные белые нащельники. Площадь одной стены равна 3,09 м2.
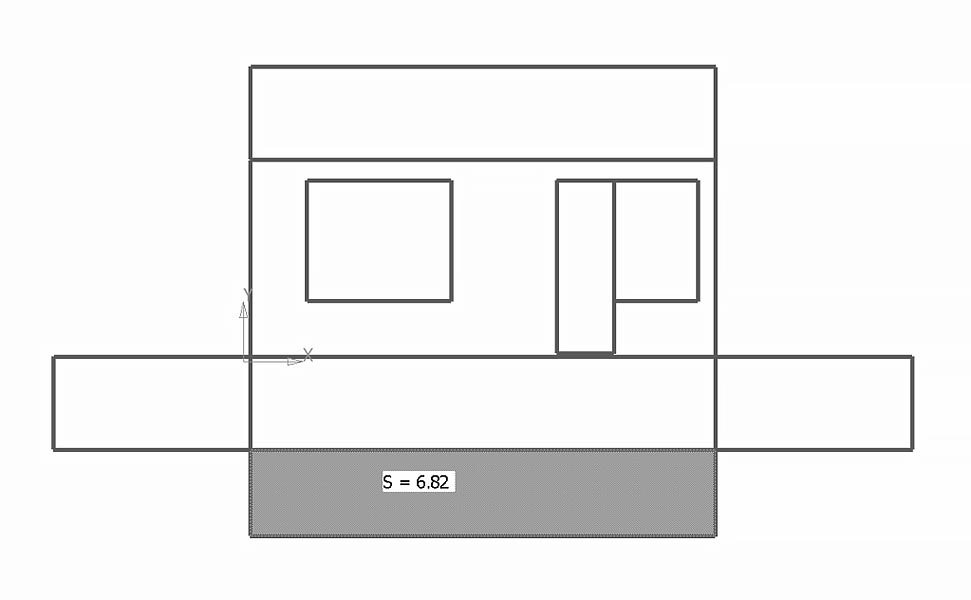
Парапет у этих лоджий высокий 1128 мм поэтому остекление часто получается низким порядка 1330 мм. А еще часто парапет соседа нависает над вашим парапетом и тогда нужны козырьки хитрой формы. Да кстати парапет в ваших лоджия крепкий и легко выдержит вес ПВХ остекления. Кладка в данном случае по желанию. Площадь парапета (и кладки соответственно) 6,82 м2.
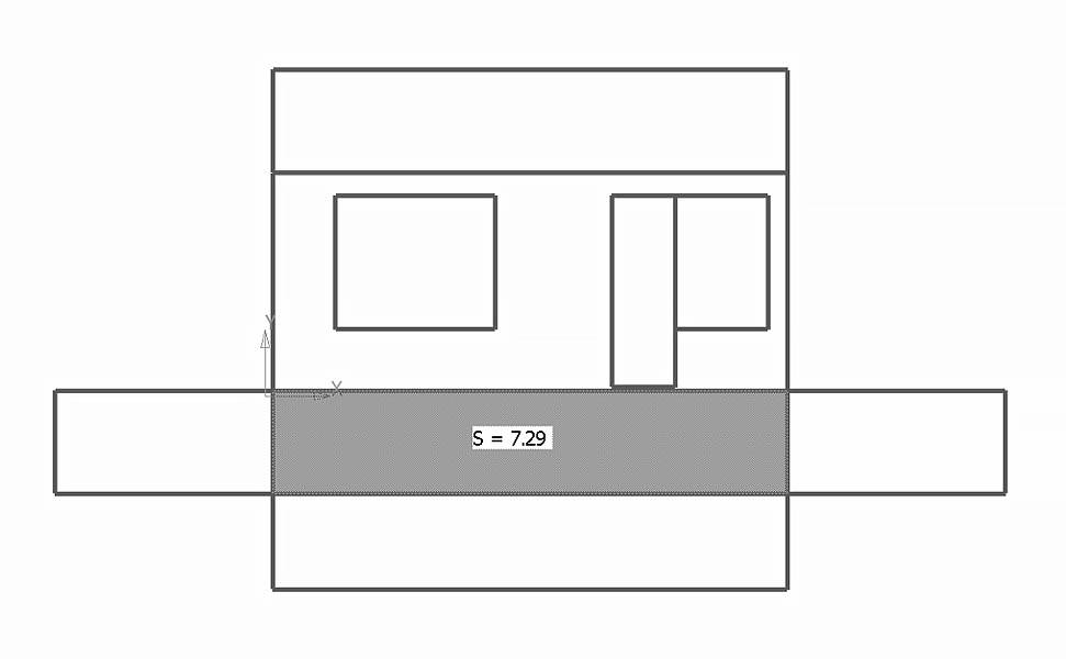
Пол и потолок одинаковые. Длинна 6043 мм, ширина 1206 мм. Да если на полу стяжка снимайте ее — это точно лишнее. Площадь пола равна 7,29 м2.
Площадь стен в сумме с потолком равна 29,4 м2. Эта информация полезна для тех кто будет считать материал на отделку.
Площадь всей лоджии составит 37 м2.
Общие требования к ограждениям
Стандартным требованием к организации ограждений лестничных маршей является обязанность устраивать перила на пролетах, имеющих количество ступеней от трех и более. Прочие нормативы описывают конкретные указания по размерам конструкций для каждого типа сооружения. К ним относят:
- Минимальная ширина лестничного марша, замеряемая по внутренней поверхности перил, не может быть меньше 90 см.
- Для внутренних помещений высота ограждения лестничного пролета должна составлять 90 см. Этот норматив применим к зданиям административного назначения, жилым домам с количеством этажей от двух и более.
- Для ограждений лестничных пролетов, установленных на улице, изготавливают конструкции высотой от 120 см.
- При ширине лестничного марша, превышающей 125 см, рекомендуется установка поручней с обеих сторон лестницы. В случаях, когда ширина лестничного пролета превышает 250 см, организовывают разделитель посередине пролета, позволяющий упорядочить потоки посетителей.
- Лестничный пролет, примыкающий одной частью к капитальной стене здания и имеющий ширину 125 см и более, помимо наружного ограждения, оборудуется специальным поручнем, надежно закрепленным на стене.
- Лестницы, имеющие нестандартную, криволинейную конфигурацию, и отстоящие от стены здания, в обязательном порядке оборудуются заграждениями с каждой стороны.
- Ограждения, используемые для лестничных маршей, которые ведут на мансарду, чердак или в подвал, должны иметь высоту не менее 90 см.
Статья по теме: Сауна на балконе
Норматив высоты ограждения в 90 см справедлив для среднего роста взрослого человека и подростков, но в некоторых случаях, в местах, где находятся исключительно взрослые люди или при индивидуальном строительстве, возможна установка поручней на высоте 110 см.
Ограждения лестничных маршей обязаны выдерживать нагрузку на один погонный метр не менее тридцати килограмм. Данное требование предлагает предусмотреть необходимое количество вертикальных стоек ограждения, которые поддерживают перила. Более частая установка балясин позволяет выдерживать указанные нагрузки.

При организации настенных перил необходимо предусмотреть расположение удерживающих кронштейнов на расстоянии 0,5 м друг от друга.
Норматив для эвакуационных и пожарных лестниц по нагрузке на погонный метр составляет 54 кг.
Как замерить балкон?
Если собственник имеет намерение сделать ремонт, неважно – своими силами или с привлечением профессиональных бригад, ему нужно провести правильные замеры пространства. Это позволит определить необходимое количество строительных и отделочных материалов

Замер лоджий может производиться с применением простейших измерительных приборов — линейки и рулетки. Но для достижения максимальной точности измерения, следует использовать лазерный дальномер. Если балкон имеет нестандартную форму, например, скошенную или полукруглую, то это существенно осложнит процесс. Замеры произвести несложно, а вот подсчёт площади может быть сопряжён с определёнными трудностями. Для упрощения задачи пространство можно разбить на геометрические фигуры – треугольники, квадраты и прямоугольники и определить их площадь, а впоследствии – суммировать результаты.

Выбор оконной компании
| Место | Компания | Рейтинг |
| 1 | Окна Проплекс | 189 |
| 2 | Фаворит | 178 |
| 3 | Алькор | 170 |
| 4 | Окнофф | 141 |
| 5 | Оконный Легион | 139 |
| 6 | Эталон | 138 |
| 7 | Стекландия | 134 |
Стандартные размеры лоджии и балкона
Балконы украшают дом, но необходимы далеко не всегда. А ошибки в их устройстве могут привести к проблемам в эксплуатации здания
Поэтому для начала стоит подумать о целесообразности балкона в конкретном проекте, и если все-таки без него не обойтись, строительство балкона важно провести по всем правилам
Балкон должен быть безопасным (выдерживать вес людей, оборудования, снега, парапета), содержать в своей конструкции прочное и устойчивое ограждение. Это отражено в нормативных требованиях, среди которых главные — следующие:
• расчетная нагрузка по всей балконной плите принимается за 200 кг/м2, полосовая нагрузка на участке шириной 80 см вдоль ограждения балкона — 400 кг/м2 (учитывая вес группы людей, стоящих вдоль перил, и вес парапета);
• горизонтальная нагрузка на поручни перил принимается за 30 кг/м2, вертикальная — 100 кг/м2 (это обеспечит их неподвижность при любом воздействии человека);
• высота ограждения балкона должна быть не менее 105 см (из условий безопасности при опирании на перила);
• ширина простенка балкона (незастекленной части стены дома) должна составлять не менее 120 см (требование, обеспечивающее возможность спрятаться от огня при пожаре);
• минимальная ширина балконной двери — 70 см (для возможности доставки на балкон мебели и другого оборудования);
• уклон пола балкона в направлении от стены — 2% (2 см на 100 см, что необходимо для отвода воды от стены здания и с плиты и обеспечения сохранности конструкций). Если ограждение глухое, в нем делают отверстия для отвода воды со вставленными в них трубами или лотками.
Рекомендуемые параметры балкона обеспечивают удобство его эксплуатации:
• ширина французского балкона, на котором можно только стоять, — 35 см (длина ступни человека);
• минимальная ширина конструкции для одного человека, где поместится стул или кресло, — 80 см;
• ширина балкона для размещения кресла, столика, шезлонга — 120 см, площадь — от 2,5 м2;
• ширина балкона для отдыха группы людей — 150 см, площадь — 4,5 м2.
• высота порога балконной двери — 8-10 см (порог необходим для защиты помещения от проникновения воды, его отсутствие допустимо для широких балконов с навесом);
• высота ветрового экрана — 180 см (для создания комфортных условий его рекомендуется установить хотя бы с одной стороны).
При одинаковой площади широкий балкон комфортнее в эксплуатации, чем узкий и длинный (на нем удобнее расставлять мебель, выделять зоны). Конструкция простой формы (прямоугольной, полукруглой) проще в исполнении, экономичнее при строительстве и отделке (благодаря стандартным условиям опирания, больше возможностей использовать типовые изделия и элементы). Но наиболее оправдана форма балкона, продиктованная архитектурой дома (например, балкон, расположенный над эркером, должен повторять его форму, какой бы она не была).
Требования к производителю
Прочность бетона, из которого изготавливается изделие, должна соответствовать ГОСТу 18105. Прочность на сжатие должна быть не меньше В 15 (М 200). Сам бетон используемый для производства в соответствии с ГОСТом 25820, 13015-0 или 26633.
Посмотрите видео, там отлично проиллюстрированы все размеры:
Требования, предъявляемые к металлоконструкциям, обозначены ГОСТом 13015-0. Во всех случаях для производства плит используется только арматурная сталь. Причём для напрягаемых элементов используется усиленная термомеханическим, а также термическим способом. Для ненапрягаемых деталей допустимо применение обычной стержневой арматуры или стальной проволоки.
Для всех категорий изделия принято соотношение к определённым требованиям, связанным не только с прочностью, жёсткостью, а также морозоустойчивостью, но и по соответствию с прилагаемой документацией.
Самые лучшие посты
- Творим дома: вязание тонких и толстых бисерных жгутов
- Зимняя повязка на голову своими руками
- Свинка Пеппа крючком: мастер-класс по вязанию маленькой шапочки
- Как отрегулировать железную входную дверь: практические рекомендации
- Органайзер на кроватку своими руками: технология изготовления
- Как устранить конденсат на входной металлической двери
- Спальня в марокканском стиле своими руками (фото)
- Внутренняя отделка дома из бруса: советы новичкам
Какие характеристики здания определяют высоту перил на балконе?
Что такое балкон, и зачем он нужен, знают все. Также все знают, что балконы бывают разные.
В советские годы в основном практиковалась две модели:
- на стандартных прогонах;
- на железобетонном основании.
Первые вариант предусматривает крепление на мощных железобетонных или металлических балках, которые уходят вглубь стены на полметра. Во втором варианте поддерживающей площадку конструкцией является железобетонная плита.
В последнее время балконные архитектурные формы разнообразились. Появились балконы:
- с внешними опорами;
- навесные;
- приставные и т.д.
Несмотря на все это разнообразие балконных форм, существуют базовые элементы их конструкций, и самодеятельность при их сооружении не допускается, поскольку это связано с безопасностью людей. ГОСТ и СНиП (строительные нормы и правила) строго регламентируют все параметры, связанные с сооружением и эксплуатаций балконов. Одним из таких элементов безопасности балконов являются перила.
СНиП трактует само понятие балкон как огражденную площадку. Люди, которые занимаются частным строительством, например, возводят загородный дом или дачный домик с балконом, пытаются найти в различных источниках ответ на вопрос – на какой высоте делают перила на балконе? Хотя сама формулировка вопроса несколько неточна. Следует спрашивать несколько иначе – какая должна быть минимальная высота перил на балконе по строительным нормативам? Поскольку к ним предъявляются жесткие требования по вертикальным размерам, конструктивным особенностям.

Балконные перила должны соответствовать требованиям ГОСТ и СНиП
Балконная дверь по стандартам
Действовавшие в конце XX века строительные нормативы были созданы для деревянных рамочных конструкций, в которых распашные двери и оконные створки вешались на петли. Сейчас подавляющая часть оконных конструкций и балконных блоков выполняется из металлопластикового профиля, для них используется новый типовой размер двери балконного блока в многоквартирных домах.

Новые стандарты окон ПВХ были разработаны не только для современных новостроек, но и для старого жилого фонда различных планировок:
- панельные дома брежневской эпохи — для окон 1300×1400 мм, для дверей 750×2150 мм;
- панельные дома новой планировки — для окон 800×1430 мм, для дверей 750×2150 мм;
- кирпичные хрущевки — для окон 1350×1340 мм, для дверей 680×2070 мм;
- панельные дома чешской планировки — в балконном блоке, который ставится в спальне, окна 1400×1400 или 1050×1400 мм, двери 750×2150 мм, в блоке, который ставится в зале, — для окон 1760×1400 мм и для дверей 800×2150 мм.
Современные компании, которые собирают окна и балконные блоки для многоквартирных и малоэтажных домов, сами проводят замеры, используя специальные знания, технологии и инструменты. В ряде случаев владельцам жилья требуется самостоятельно замерить размеры проема балконной двери и предоставить его исполнителю.

Эксперты рекомендуют использовать мерки, снятые своими силами, стараясь сэкономить на ремонте балконных дверей и окон. Фирмы, которые изготавливают и устанавливают балконные двери ПВХ, размеры для них снимают сами, а клиентам за это не приходится платить.
Мнение эксперта! Наталья Курач Юрист по гражданскому праву «Если клиенты вызывают специалиста-замерщика для снятия оконных и дверных размеров, а не выполняют измерения самостоятельно, они не отвечают за ошибки при снятии мерок. Фирма, оказывающая услугу, при неправильном измерении проема должна будет бесплатно установить новый дверной блок. В этом случае даже суд сочтет ее виновной в недобросовестном оказании услуг своим клиентам. Если выяснится, что при производстве балконных дверей использовались замеры, сделанные заказчиком, восстанавливать дверной блок клиенту придется за свой счет».

Современные стандартные размеры балконной двери с пластиковым окном используются при изготовлении различных видов дверных конструкций:
- одностворчатых;
- двухстворчатых;
- раздвижных;
- складных.


Сегодня балконная дверь, размеры которой соответствуют государственным стандартам, может быть сделана не только по типовой конструкции, когда в каркас из пластика или металлопластика вставляется стекло. Большой популярностью сегодня пользуются балконные двери, изготовленные полностью из стекла или имеющие неширокую перемычку
Такие двери увеличивают коэффициент естественной освещенности комнаты и визуально расширяют пространство, что важно для малогабаритных квартир старой планировки


При выборе любой конструкции важно точно определить, какие размеры балконной двери должны использоваться при производстве любой модели балконного блока. Также следует учитывать климатические особенности: двухстворчатые двери на балконе потребуют дополнительного отопления застекленного балконного пространства

Определение и размер балкона
Балкон, согласно СНиП, – это площадка, выступающая из плоскости фасада домов. То есть определяющим отличием балкона и лоджии будет именно площадка. По большому счету, все плоские горизонтальные конструкции, что выступают за стену дома, при этом находящиеся на уровне пола, это балкон. То есть парапет и крыша у балкона могут отсутствовать, но пол точно должен быть.
А вот лоджия – это самостоятельная комната, встроенная в здание. То есть, выступа у этой конструкции за стену дома нет. А еще у лоджии есть три стены, общие со зданием, две боковые и крыша. Открытой остается лишь только передняя часть. Остекление на лоджии может и не быть.
Балкон – это площадка, выступающая из плоскости фасада дома
Стандартные размеры лоджии и балкона:
- Для балкона высота от нижней плиты перекрытия до верхней – 2,6 -2,65 м;
- Для постройки же лоджии используются пустотные плиты перекрытия, имеющие размеры 1,2х5,8 м. которые делятся на две части;
- Стандартная балконная плита, в отличие от лоджии, выпирает над фасадной плоскостью на 0,8 м, ширина – 3, 275 м.
Есть определенный расчет для многоквартирных домов, в жилых зданиях устанавливаются нормы, которые учитываются во многих вопросах. Потому при перестроении обязательно вычитывается документация, привлекаются специалисты для консультации.
Не безопасностью единой
Безопасность очень важна, но людям не чужда эстетика. Декоративное украшение балкона зависит от вкуса его владельца. Можно самому декорировать, можно воспользоваться услугами профессионального дизайнера.
- Очень привлекательно смотрятся перила из нержавеющей стали. Их можно делать различной формы. Кроме того, они отлично сочетаются с другими материалами.
- Великолепно выглядят ограждения из гранита или мрамора. Однако при их сооружении надо помнить, что камень – материал тяжелый, и все балконная конструкция должна быть рассчитана с учетом этого обстоятельства.
- Хорошими декоративными характеристиками обладают:
- кованый и хромированный металлы;
- дерево;
- стекло.
Дополнительную информацию по теме статьи можно получить из видео:
Пошаговая инструкция выполнения работ
Установка ограждения проводится в строгой последовательности
Перед началом работ необходимо подготовить необходимый набор инструмента, расходных и стройматериалов. Установку следует проводить в следующей последовательности:
- Подготовить поверхность края плиты, очистив ее от ненужных бугров и при необходимости заделав лишние ямки. Затем, следует сделать разметку мест, в которых будут крепиться несущие столбы всей конструкции. Теперь с помощью водяного уровня выводим высшую точку перил там, где оно будет крепиться к стенам.
- Приступаем к укреплению столбов по меткам. Необходимо следить за вертикальным уровнем, чтобы впоследствии не испортить внешний вид задумки. Крепёж бывает как болтовой, так и с помощью сварочного аппарата. Можно фиксировать секции между столбами. В ходе данной процедуры также потребуется уровень, чтобы выровнять по горизонтали. Ну вот и очередь перил. Крепеж не отличается от остальных соединений. Исключением могут быть ограждения из дерева, тут сборка каркаса сопровождается установкой дополнительных железных уголков и вкручиванием саморезов. Предлагаем посмотреть видео монтажа балконных ограждений:
Заключительный этап работы — обработка готового парапета. При использовании в качестве первоосновы металла необходимо предварительно очистить металлические поверхности, а после установки покрасить. В случае, если выбрана древесина, то в качестве антисептических составов стоит использовать акриловый лак и морилку.
Какой должна быть высота ограждения балкона
Ограждающие конструкции на балконе правильной высоты – гарантия безопасностиПрактически все квартиры, находящиеся в многоэтажном доме, оборудованы выступающими плитами, на которые можно выйти из жилых помещений.
Для обеспечения безопасного нахождения на них предусмотрены ограждения, устанавливаемые согласно требованиям строительных ГОСТ и СНиП. Кроме прямого функционального назначения ограждающих перил, многие владельцы балконов стараются придать им изысканный внешний вид. Последнее время эстетическому аспекту уделяют все большее значение.
Особенности защитных ограждений балконов
Эксклюзивность и оригинальность дизайну перил ограждающего парапета балкона и лоджии придают с использованием металлических элементов с разнообразными вариантами покрытий: хромирования, никелирования, шлифовки, полировки, полимерной порошковой покраски. Также для этих целей применяют нержавеющую сталь, прочный пластик и стекло.
Виды ограждающих конструкций
Используются ограждения следующих видов:
- Кованные, стоимость которых существенно выше от цены других вариантов оформления балкона;
- Деревянные, привлекательных их вид достигается за счет установки резных перил и балясин. Благодаря грамотному подобранному сочетанию горизонтальных и вертикальных элементов конструкции достигается изысканность в оформлении ограждений балконов и лоджий.
- В виде кирпичного либо бетонного парапета, обеспечивающего надежное основание для установки рам из металлопластика, дерева, алюминия;
- В виде экранов из прочного пластика либо стекла.
Для соединения всех элементов балконного ограждения различного вида используют специальные крепежные детали либо сварку.
Конструктивные особенности
Конструкция ограждения состоит из:
- вертикальных стоек, выполняющие функции несущего каркаса;
- перил, предназначенных для удобной опоры людей;
- различных элементов, непосредственно выполняющих функцию защиты.
Стойки каркаса надежно крепятся к нижней балконной плите.
Перила изготавливаются самой разнообразной формы и подбираются в соответствии с индивидуальными вкусами жильцов.
Высота монтажа парапета и перил
Любая конструкция ограждения должна отвечать повышенным требованиям безопасности пребывания на них. Вследствие этого во время их возведения необходимо придерживаться рекомендаций строительных ГОСТ и норм. В основном эти требования описаны в следующих нормативных документах:
- ГОСТ 25772-83 – Ограждения балконов и лестниц;
- ГОСТ 23118-99 – Конструкции строительные стальные.
В приведенных справочниках подробно описаны все требования, предъявляемые к конструкции ограждений балконов. Например, там указано, что в зданиях, имеющих высоту не больше 30 м:
- высота ограждения – не менее 1000 мм;
- расстояние до перил от пола – 900 мм;
- у комбинированных и экранных ограждающих конструкций соседние опоры должны быть на расстоянии – не больше 300 мм.
Если здание возведено более 30 м, то высота ограждения и перил должна быть увеличена на 100 мм.
При разработке варианта и последующей установке высота ограждения на балконе оказывает немаловажное значение. Полностью отвечающая требованиям безопасности оградительная конструкция позволит придать изысканный презентабельный вид балкону либо лоджии частного дома или квартиры в многоэтажном здании и обеспечить безопасную их эксплуатацию.
Источник : http://me-remount.ru/balkon-i-lodzhiya/remont/visota-ograzhdeniya-balkona.html
Источник : http://me-remount.ru/balkon-i-lodzhiya/remont/visota-ograzhdeniya-balkona.html
Нормы монтажа
Монтаж парапета и перил балкона производится по нормам, описанным в ГОСТ, СНиП и СП, его технология зависит от выбранного материала.
Сборка металлических балконных ограждений выполняется после необходимых подготовительных работ в следующей последовательности:
- Монтаж каркаса, закрепление его к несущей стене здания с помощью анкерных болтов сварочным способом. Сварку выполняют по требованиям СНиП III-18.
- Фиксация экранного или решетчатого заполнения к каркасу.
- Монтаж перил, если они не составляют с заполнением единого элемента.
- Обработка антикоррозийным покрытием металлических деталей (по необходимости).
Статья по теме: Можно ли утеплять балкон зимой
Шаг стоек определяется исходя из рабочего проекта, но должен быть не более 1,2 м.
Высота перил на балконе равна высоте ограждения. Поручни выполняют непрерывными, их толщина 60 мм. Шаг точек крепления поручней — не более 1,2 м. Поручень нужен не только для комфортного использования ограждения, но и для обеспечения жесткости всей конструкции. В местах угловых соединений поручень собирается металлическими уголками скрытым способом.
Если ограждение на балконе выполнено из древесины или пиломатериалов, то его необходимо обрабатывать антисептиком промышленным способом под давлением.
СП 20.13330.2016 «Нагрузки и воздействия» регламентирует нагрузку на перила и поручни в пределах 80 кгс/м.
Согласно СП 1.13130.2009 «Системы противопожарной защиты. Эвакуационные пути и выходы», высота балконного ограждения определяется 1200 мм в многоквартирных зданиях независимо от этажности.
По применению того или иного вида заполнения все здания жилого назначения подразделяются на многоквартирные и одноквартирные. ГОСТ и СП устанавливают применение для всех жилых зданий только экранных ограждений. В проектных нормах нет запретов на виды заполнения ограждений балконов в одноквартирных домах. Для проектирования многоквартирных жилых зданий имеются требования пожарной безопасности, определяющие балконы различного назначения как зону пожарной безопасности. Эта зона отвечает следующим требованиям:
- Высота ограждения не менее 1200 мм (п. 5.4.20 СП 1.13130.2009). Высота ограждения на балконе измеряется от верхнего уровня балконного пола.
- Экранный тип ограждения. Экран соответствует степени огнестойкости самого здания (п. 5.4.18 СП 2.13130.2012). Ограждения лоджий и балконов в зданиях высотой три этажа и более выполняются из негорючих материалов.
- Ограждение балкона может дополнять остекление.
На одноквартирные дома эти требования не распространяются. Проектирование одноквартирных зданий высотой не более 3 этажей (включая мансарду и подвал) не сопровождается разработкой специального раздела по обеспечению пожарной безопасности. Значит, балконное ограждение такого дома может быть как экранным, так и решетчатым и иметь высоту по желанию владельца дома.
Высота ограждающего экрана, согласно действующему ГОСТ 25772-83, зависит от высоты здания. Но, как показано выше, в проектировании жилых зданий должны учитываться требования пожарной безопасности, определяющие высоту ограждения в 1200 мм. Процесс монтажа регламентируется требованиями ГОСТ:
- Защита несущих элементов от коррозии.
- Сохранение целостности деталей ограждающих элементов и деталей.
- Соблюдение высоты ограждения по нормативным проектным требованиям.
- Применение элементов ограждения, обладающих запасом прочности — защита соединительных элементов от воздействий влаги и коррозии (СП 28.13330.2012).
Монтаж балясин (деревянных или каменных стоек ограждения) регулируется ГОСТ 23120-2016. Для соблюдения одинакового расстояния в лестничных пролетах между стойками разметку проводят с учетом их центров. Некоторые требования к монтажу балясин приведены ниже:
- Расстояние между центрами двух смежных балясин равно 152 мм.
- Дистанция между двумя смежными балясинами не превышает 107 мм.
- Элементы крепятся с использованием 2 точек жесткого крепления вверху и внизу.
Соблюдение требований ГОСТ, СНиП и СП позволит сделать ограждение балкона безопасным, эстетически привлекательным и долговечным.
Допустимые нагрузки
Для выполнения точных расчетов необходимо отталкиваться от уже существующих показателей. Узнать какую массу сможет удержать балкон килограмм отделки или утепления можно, если для порядка взять грузоподъемность лоджии – 1770 кг. Весовые нагрузки распределить на несколько пунктов:
- в среднем три человека весом 80 кг – это 240 кг;
- различные приборы и предметы – 175 кг;
- нагрузка дождевой воды или снега – 200 кг.
Статья по теме: Ремонт кранов и смесителей своими руками
Выходит, что балкон в незастекленном виде получает нагрузку – 615 кило в нашем случае. Учитывая показатель перед проведением остекления, масса равняется 922,5 кило. Значит на все материалы для того, чтобы выполнить отделку необходимо 847, 5 кило. Подробности грамотной отделки балкона смотрите в этом видео:
Характеристики и основные требования к балконному ограждению
В нашей стране зачастую к фасадам и балконам относятся небрежно, из-за чего нарушается целостный стиль всего дома. Поэтому с типом балконного ограждения крайне желательно определиться еще на этапе проектирования дома. В первую очередь перила должны гармонично сочетаться с фасадом строения, подчеркивать общий стиль, в котором оформлено жилье. Например, ограждения из нержавеющей стали, совершенно безвкусно будут смотреться на балконе дома, построенного из сруба. В то же время его бесспорным украшением станут деревянные ограждения.
Что касается требований к безопасности, то в стандартах ГОСТ прописаны следующие условия:
- высота ограждения балкона должна доходить минимум до середины живота взрослого человека;
- ширина между вертикальными элементами (балясинами или прутьями) не должна превышать 10-12 см;
- один погонный метр ограждения должен выдерживать не менее 100 кг нагрузки.
Основным требованием является общая прочность всей конструкции, которая должна выдерживать ветровые нагрузки и вес людей. При изготовлении декоративного оформления для балконов необходимо соблюдать требования безопасности, поэтому к такой работе привлекаются квалифицированные специалисты. Для изготовления оргаждений подбираются материалы без трещин, ржавчины или иных дефектов.
В строительной отрасли часто используются металлические ограждения из нержавеющей стали, чугуна, алюминия, создаются комбинированные композиции, состоящие из бетона, кирпича, стекла и металла. На дачах и в загородных домах из сруба оптимальным решением становятся ограждения балкона из дерева с резным или классическим оформлением.
Допустимая высота балконного ограждения Источник dom-elite.com
Размер балкона в 9 этажке. Стандартные размеры лоджии и балкона
Большинство обитателей многоквартирных домов уже по достоинству оценили наличие лоджии или балкона в квартире. Но волнует вопрос, какой должна быть ширина балкона и возможно ли немного расширить его размеры.
Также не все понимают особенности устройства этих помещений и в чём их отличия. А ведь именно они влияют на способы расширения квадратных метров квартиры. Будет ли это уединённый уголок или совмещённое с комнатой дополнительное пространство – решать Вам.
Разница между балконом и лоджией
По всем нормативным документам под балконом следует понимать площадку, выступающую за фасад дома на уровне пола. Это одно из самых существенных отличий от лоджии. В конструкции балконного помещения может отсутствовать любой элемент, но наличие площадки обязательно.
В отличие от балкона лоджия встраивается в здание. По большому счёту, её можно считать за комнату. Она имеет не только площадку, но и три стены, которые являются единым целым со зданием. Передняя часть открыта в первоначальном виде. Это помещение никогда не выступает за пределы фасада дома. По сравнению с балконом лоджия способна выдержать большие нагрузки. При желании на ней можно обустроить отопление, что для балконных помещений является строгим запретом.
Для устройства отопления необходимо предварительно получить специальное разрешение и согласовать перепланировку в соответствующих органах.
Стандартные размеры

Размеры балконов
Вне зависимости от плана постройки нормативными документами предусмотрено расстояние между нижним и верхним перекрытием. Оно составляет 2,6 м
Уделяя внимание размерам лоджии, следует отметить, что для постройки этого помещения используют пустотелые плиты, размеры которых составляют 1,2×5,8 м. Обычно такая плита делится на две части
В связи с этим стандартные размеры длины помещения составляют 2,9 м.
У балкона площадка должна выступать за пределы фасада. Поэтому плита длиной 3,275 м укладывается так, чтобы она выступала за пределы здания на 0,8 м.
Приведём некоторые типовые размеры балкона, предусмотренные нормативными документами. В данных представлены размеры в метрах в соответствии: длина, минимальная ширина и высота парапета:
- в домах хрущёвках – 2,8–3,1 м×0,65–0,8 м×1 м;
- в домах, построенных в 70-е годы — 2,4 м×0,65–0,8 м×1 м;
- трёхметровые лоджии – 3 м×0,7 м×1–1,2 м;
- шестиметровые лоджии – 6 м×0,7 м×1–1,2 м;
- дома из панелей – 3,1 м×0,7 м×1,2 м;
- блочные дома – 5,64 м×0,7 м×1,2 м.
Обязательно нужно придерживаться норм устройства высоты парапета. По всем нормативным правилам и в соответствии с противопожарной безопасностью его высота не должна быть менее 1 м.
Посмотрите на
Виды лоджий и балконов

Виды лоджий и балконов
Дополнительные помещения в виде лоджий подразделяются на несколько видов в зависимости от места их размещения. Они бывают прямыми, угловыми и боковыми. Исключение – это лоджии, которые имеют угловое размещение, но лишены переднего обзора. Также следует отметить, что эти помещения имеют разнообразное архитектурное решение. В основном они различаются по форме построения: угловые, полукруглые, прямоугольные и прочее.
Балконы также не отстают. Они могут иметь различия не только по форме, но и по материалу, который используется для устройства ограждения. Например, ковка металлическая.
Обратим внимание на понятие французский балкончик. Особенностью такой конструкции является полное отсутствие пола
То есть, открываем дверь на балкон и сразу же упираемся в металлическое ограждение.
На сегодняшний день, почти все лоджии и балконы стараются застеклить и использовать как дополнительные квадраты для расширения площади квартиры.
Рассчитываем полезную площадь
Очень часто встречаемся с таким понятием, как полезная жилая площадь. Не так давно под этим словом подразумевалась площадь отапливаемой части квартиры. Многие задаются вопросом, как правильно просчитать площадь квартиры. Особенно это актуально при покупке жилья. Составляя договор купли-продажи, оговариваются две цифры площадей:
- которая указана в свидетельстве на право собственности;
- которая оплачивается по договору.
Допустим, приобретается квартира общей площадью 60 м2. В эту квадратуру включена площадь балкона – 5 м2 и лоджии – 7 м2. После покупки, оплачивая коммунальные платежи за отопление, нужно платить по полному тарифу за 48 м2, а за остальные с учётом коэффициентов для балкона и лоджии соответственно 0,5 и 0,3. Если же в договоре, будет указано 60 м2, то придётся платить за всё по единой ставке.
Поэтому, покупая жильё, необходимо тщательно ознакомиться с данными, которые указаны в инвестиционном договоре. Если же, наоборот, будет указана цифра без площади балкона или лоджии, то эти помещения не будут являться вашей собственностью.
Рассчитываем полезную площадь
Главное при расчете площади — это доступ к стенам и точность данных. Это позволит максимально точно вписаться в бюджет, запланированный на реконструкцию или ремонт.
Понадобятся следующие инструменты:
- рулетка;
- лазерный дальномер;
- линейка;
- карандаш;
- бумага;
- калькулятор.
Можно обойтись и без оптики (лазерного дальномера), но в некоторых случаях его использование позволит избежать погрешностей при расчетах. Особенно это касается нестандартных типов конструкций.
Далее следуем по плану:
- Для начала измеряются все стороны фигур, из которых состоит балкон. Параметры сразу же конспектируются.
- Эскиз площадки зарисовывается на бумаге. На линиях обозначаются размеры.
- Вычисления производятся на калькуляторе.
- Квадрат вычисляется умножением одной стороны на себя.
- Прямоугольник — ширина умножается на длину.
- Треугольник — высота умножается на основание.
- Если конструкция состоит из нескольких форм, все полученные вычисления складываются друг с другом.
- Применяется понижающий коэффициент 0,5 (для балконов), 0,3 (для террас), 1 (для веранды). На эту величину умножается полученная площадь пространства.
Предлагаемый план рассчитан для проведения замеров самостоятельно. Если за дело берется новичок, то возможны погрешности, особенно в сложных конструкциях. Если для ремонта приглашается бригада, то лучше доверить определение полезной площади профессионалам. Чаще всего эта услуга предоставляется бесплатно





































